Olika radiostationer har väldigt olika högtalare.
Skall man jämföra radiostationer av olika modell och fabrikat är det därför viktigt att lyssna i samma högtalare.
Annars provar man högtalare och inte radioapparat.
Helst då en bredbandshögtalare med väl dämpad låda, dvs utan egna resonanser.
SM4FPD
IC-7300 vs IC-7610
Re: IC-7300 vs IC-7610
Trevliga åsikter om dessa apparater.
Det man vinner i ena änden förlorar man i andra änden som naturlagen säger
Tack för goda åsikter om jag nu skall skaffa en av dessa apparater.
JAL
Det man vinner i ena änden förlorar man i andra änden som naturlagen säger
Tack för goda åsikter om jag nu skall skaffa en av dessa apparater.
JAL
Nej, det är inte storleken på uteffekten som räknas! Det är heller inte storleken på plånboken som
räknas. Det är storleken på ditt förstånd som verkligen räknas!
Det är byggandet som är resan, resultatet är biprodukten målet är kunskap
räknas. Det är storleken på ditt förstånd som verkligen räknas!
Det är byggandet som är resan, resultatet är biprodukten målet är kunskap
Re: IC-7300 vs IC-7610
Mitt förra inlägg handlade om displayerna.
IC-7300 och IC-7610 har samma slags högtalare. Den är däremot monterad på olika vis i resp radio och låter därför olika iaf.
Precis som man kan tänka sej låter den större radion ngt bredare och bättre.
IC-7300 och IC-7610 har samma slags högtalare. Den är däremot monterad på olika vis i resp radio och låter därför olika iaf.
Precis som man kan tänka sej låter den större radion ngt bredare och bättre.
Re: IC-7300 vs IC-7610
En viktig aspekt när man jämför är priset.
Ska en jämförelse vara hyfsat rättvisande så tycker jag stationerna vara i samma prisklass.
En IC-7300 kostar idag drygt 15000:- medan en IC-7610 kostar nästan 50000:-
Det är klar att man kan testa för att se vad man får för de extra slantarna och då är jämförelsen mellan de här två stationerna mer relevant men för de som står i begrepp att köpa en station så är en test mellan tex. IC-7300 och en FT-710 värdefullare.
Ändå intressant att se vad som skiljer två stationer i helt skillda prisklasser och man kan ställa sig frågan om prisskillnaden motiverar de fördelar man får med en IC-7610?
Vad tycker du DH som har båda stationerna i shacket?
Ska en jämförelse vara hyfsat rättvisande så tycker jag stationerna vara i samma prisklass.
En IC-7300 kostar idag drygt 15000:- medan en IC-7610 kostar nästan 50000:-
Det är klar att man kan testa för att se vad man får för de extra slantarna och då är jämförelsen mellan de här två stationerna mer relevant men för de som står i begrepp att köpa en station så är en test mellan tex. IC-7300 och en FT-710 värdefullare.
Ändå intressant att se vad som skiljer två stationer i helt skillda prisklasser och man kan ställa sig frågan om prisskillnaden motiverar de fördelar man får med en IC-7610?
Vad tycker du DH som har båda stationerna i shacket?
För alla komplexa frågor finns det ett svar som är lättförståeligt, enkelt och fel.
Re: IC-7300 vs IC-7610
Saker jag tar upp i den här tråden är sånt jag tycker är intressant själv och som jag själv tvekat på innan jag köpte min 7610’a trots att jag redan hade en bra 7300 på bänken. De flesta som slår till på 7610 är såna som haft en 7300 sedan förut.
Det är då inte osannolikt att ngn annan har samma funderingar tänker jag o då är tråden relevant för dessa.
Plus och minus med resp radio kan den enskilde själv väga in om hen tycker det ökade priset motiveras.
Jag gav 35 tusen för 15 månadersedan för min 7610. För ngn vecka sen kunde man få likadan radio på samma ställe i västsverige för 41 tusen vilket vore illa nog. Om man nu får ge nästan 50 tusen vill jag å det bestämdaste avråda köp. Så fantastisk är den inte.
Orkar man läsa hela tråden så finns mina reflektioner högre upp. Jag tycker 7610 är dyr.
Dubbelt så bra som 7300? Tveksamt…men den är ju mer än dubbelt så dyr..
7610 är en radio för den som gillar 7300 men vill ha större display och dubbla mottagare och där det inte spelar ngn roll vad det kostar, lite så.
En kollega skaffa sej en Yaesu FTdx-10 vilken på pappret motsvarar IC-7300 ganska väl. HF/6m/4m bägge två där Yaesu’n kostade 3000kr mer.
Han tänkte då att FTdx-10’an skulle vara lite ’värre’ än IC-7300’an vilket han ganska snart blev besviken på.
Icom’n layout är mkt enklare med ’ikoner’ att klicka på med relevanta symboler på.
Bilden visar Icom IC-705 men IC-7300 ser nästan likadan ut.
Yaesun hade enbart knappar med text på och utan symboler samt väldigt många på samma uppslag så att säga. Mer svårnavigerad.
Svårare vart också Yaesu’ns alla inställningar som är mkt flera att ta ställning till. Han hade ett helsike att få sin radio att låta lika vettigt i modulationen som min IC-7300 och vi lade många timmar på många kvällar att få till det där.
Båda dessa radios är ju eg datorer bägge två. När man hade laborerat med massa inställningar på Yaesu’n så ville den lätt ’tröttna’ till slut och blev helt omöjlig att hålla på med ljudinställningar - det lät sen kasst hur man än gjorde. Att ändra tillbaks till Default läget hjälpte då inte.
Han fick tips från butiken där radion köptes att göra en reset på den vilket som tur var hjälpte så man kunde börja om från noll igen.
Det visa sej att radion lät bäst när han lät den ha standardinställningar. Vart han på det allra minsta o lade på extra bas kanske eller mer diskant så blev modulationen direkt mkt sämre. Han såg själv på yttre pwr instrument hur ’slö’ radion blev. Det hjälpte då ej heller att gå tillbax till ursprungsläget..man va tvungen att ge sej på reset igen innan radion fick bra drag igen.
Jobbigt när alla andra inställningar fick göras om efter varje reset.
Efter frekvensöppning sänder IC-7300 från nånstans långt ner på mellanvåg…eller långvåg rentav…glömt nu…och upp hela vägen utan avbrott till 74,800MHz.
Yaesu FTdx-10 gör ett uppehåll vid 30,000 och kommer inte tillbax förrän vid 50,000MHz igen. Sen gör den uppehåll mellan…om det var 56-70MHz innan den kom tebax ånyo.
Icom sänder alltså på 31MHz, 42MHz och 69MHz vilket Yaesun inte gör. För de flesta kvittar vilket ,men för hans del tyckte han att den kändes mkt mer ’fattig’ än min 7300.
På pappret har FTdx-10’an mkt mer lull-lull men som ändå inte alltid fungerar i verkligheten. Dessutom är det omöjligt att få den låta lika bra som en IC-7300 i modulationen. Viss buggig känsla man är nödd att lösa med reset gjorde att kollegan tappa sugen för radio överhuvudtaget och alla antenner togs ner osv.
Efterforskning gav att det inte bara vart hans radio som vart såndär…vi trodde ju den va trasig först o han ville reklamera den…det vart då han fick reda på att den behövde reset…vilket för all del hjälpte - tills man råka pilla på ngn inställning igen då.
Prismässigt är det enl mej ingen radio som slår IC-7300. Den som tvekar för att den kanske ’verkar krånglig’ och ’utan att tillföra ngt’ över valfri äldre Icom radio bör tänka om. En IC-718 eller kanske en 7200 är mkt mer svårkörd än en 7300.
IC-7300 är en riktig nybörjarradio som är enkel att göra inställningar på och är enkel att anpassa för sin egen röst o få att låta bra.
NoiseReduction är en helt fantastisk funktion som gör lyssnandet mkt mer behagligt. Trycker man in NR knappen och håller den intryckt lite längre, kommer en ruta med inställningar för den fram. Att dra på eller minska dess funktion helt enkelt. Tryck på samma knapp igen och inställningen är sparad. Skönt att slippa gå in i menyer för allting.
På liknande vis gör man andra inställningar också. Tryck & håll inne….en knapp eller ngt på displayen så kommer lite olika val för funktionen i fråga upp. Tryck & håll inne fingret på decimalerna så ändrar man step på vfo’n osv.
Man kan även göra samma inställningar i en prydlig meny om man så hellre vill också. Man väljer själv vilket som är smidigast.
Jag fick fråga från en nybörjare som slängt upp 16 tusen eller va skam det va på en flång ny 7300 häromdan…han tyckte det vart omständigt att byta band.
Radion har inga dedikerade bandknappar annat än att de går att få fram på touchdisplayen.
Håll fingret mot MHz-siffran och den rutan kommer upp.
Iaf så efterlyste han ett enklare alternativ än att behöva klabba på displayen.
-Jepp, samma frågeställning hade jag också när jag va ny med den. Jag löste det med att lägga in ett minne på varje band.
T.ex på minne 1 har jag 137kHz CW, på minne 2 har jag 1945kHz LSB följt av 3762kHz, 5363kHz, 7150kHz osv osv uppåt i frekvens med adekvata trafiksätt och andra inställningar för enkel tillgång.
’Band’ byter jag sen med up/down knapparna på mikrofonen.
Ligger jag t.ex på 1945kHz och vevar iväg…kanske till 1440kHz AM eller kanske sm4wii’s mellanvågsfyr på 476kHz CW…tröttnar på det och vill tillbax till 1945kHz LSB igen, då går det på mindre än 1 sekund, tryck down följt av up så står man på 1945kHz LSB igen
Det är då inte osannolikt att ngn annan har samma funderingar tänker jag o då är tråden relevant för dessa.
Plus och minus med resp radio kan den enskilde själv väga in om hen tycker det ökade priset motiveras.
Jag gav 35 tusen för 15 månadersedan för min 7610. För ngn vecka sen kunde man få likadan radio på samma ställe i västsverige för 41 tusen vilket vore illa nog. Om man nu får ge nästan 50 tusen vill jag å det bestämdaste avråda köp. Så fantastisk är den inte.
Orkar man läsa hela tråden så finns mina reflektioner högre upp. Jag tycker 7610 är dyr.
Dubbelt så bra som 7300? Tveksamt…men den är ju mer än dubbelt så dyr..
7610 är en radio för den som gillar 7300 men vill ha större display och dubbla mottagare och där det inte spelar ngn roll vad det kostar, lite så.
En kollega skaffa sej en Yaesu FTdx-10 vilken på pappret motsvarar IC-7300 ganska väl. HF/6m/4m bägge två där Yaesu’n kostade 3000kr mer.
Han tänkte då att FTdx-10’an skulle vara lite ’värre’ än IC-7300’an vilket han ganska snart blev besviken på.
Icom’n layout är mkt enklare med ’ikoner’ att klicka på med relevanta symboler på.
Bilden visar Icom IC-705 men IC-7300 ser nästan likadan ut.
Yaesun hade enbart knappar med text på och utan symboler samt väldigt många på samma uppslag så att säga. Mer svårnavigerad.
Svårare vart också Yaesu’ns alla inställningar som är mkt flera att ta ställning till. Han hade ett helsike att få sin radio att låta lika vettigt i modulationen som min IC-7300 och vi lade många timmar på många kvällar att få till det där.
Båda dessa radios är ju eg datorer bägge två. När man hade laborerat med massa inställningar på Yaesu’n så ville den lätt ’tröttna’ till slut och blev helt omöjlig att hålla på med ljudinställningar - det lät sen kasst hur man än gjorde. Att ändra tillbaks till Default läget hjälpte då inte.
Han fick tips från butiken där radion köptes att göra en reset på den vilket som tur var hjälpte så man kunde börja om från noll igen.
Det visa sej att radion lät bäst när han lät den ha standardinställningar. Vart han på det allra minsta o lade på extra bas kanske eller mer diskant så blev modulationen direkt mkt sämre. Han såg själv på yttre pwr instrument hur ’slö’ radion blev. Det hjälpte då ej heller att gå tillbax till ursprungsläget..man va tvungen att ge sej på reset igen innan radion fick bra drag igen.
Jobbigt när alla andra inställningar fick göras om efter varje reset.
Efter frekvensöppning sänder IC-7300 från nånstans långt ner på mellanvåg…eller långvåg rentav…glömt nu…och upp hela vägen utan avbrott till 74,800MHz.
Yaesu FTdx-10 gör ett uppehåll vid 30,000 och kommer inte tillbax förrän vid 50,000MHz igen. Sen gör den uppehåll mellan…om det var 56-70MHz innan den kom tebax ånyo.
Icom sänder alltså på 31MHz, 42MHz och 69MHz vilket Yaesun inte gör. För de flesta kvittar vilket ,men för hans del tyckte han att den kändes mkt mer ’fattig’ än min 7300.
På pappret har FTdx-10’an mkt mer lull-lull men som ändå inte alltid fungerar i verkligheten. Dessutom är det omöjligt att få den låta lika bra som en IC-7300 i modulationen. Viss buggig känsla man är nödd att lösa med reset gjorde att kollegan tappa sugen för radio överhuvudtaget och alla antenner togs ner osv.
Efterforskning gav att det inte bara vart hans radio som vart såndär…vi trodde ju den va trasig först o han ville reklamera den…det vart då han fick reda på att den behövde reset…vilket för all del hjälpte - tills man råka pilla på ngn inställning igen då.
Prismässigt är det enl mej ingen radio som slår IC-7300. Den som tvekar för att den kanske ’verkar krånglig’ och ’utan att tillföra ngt’ över valfri äldre Icom radio bör tänka om. En IC-718 eller kanske en 7200 är mkt mer svårkörd än en 7300.
IC-7300 är en riktig nybörjarradio som är enkel att göra inställningar på och är enkel att anpassa för sin egen röst o få att låta bra.
NoiseReduction är en helt fantastisk funktion som gör lyssnandet mkt mer behagligt. Trycker man in NR knappen och håller den intryckt lite längre, kommer en ruta med inställningar för den fram. Att dra på eller minska dess funktion helt enkelt. Tryck på samma knapp igen och inställningen är sparad. Skönt att slippa gå in i menyer för allting.
På liknande vis gör man andra inställningar också. Tryck & håll inne….en knapp eller ngt på displayen så kommer lite olika val för funktionen i fråga upp. Tryck & håll inne fingret på decimalerna så ändrar man step på vfo’n osv.
Man kan även göra samma inställningar i en prydlig meny om man så hellre vill också. Man väljer själv vilket som är smidigast.
Jag fick fråga från en nybörjare som slängt upp 16 tusen eller va skam det va på en flång ny 7300 häromdan…han tyckte det vart omständigt att byta band.
Radion har inga dedikerade bandknappar annat än att de går att få fram på touchdisplayen.
Håll fingret mot MHz-siffran och den rutan kommer upp.
Iaf så efterlyste han ett enklare alternativ än att behöva klabba på displayen.
-Jepp, samma frågeställning hade jag också när jag va ny med den. Jag löste det med att lägga in ett minne på varje band.
T.ex på minne 1 har jag 137kHz CW, på minne 2 har jag 1945kHz LSB följt av 3762kHz, 5363kHz, 7150kHz osv osv uppåt i frekvens med adekvata trafiksätt och andra inställningar för enkel tillgång.
’Band’ byter jag sen med up/down knapparna på mikrofonen.
Ligger jag t.ex på 1945kHz och vevar iväg…kanske till 1440kHz AM eller kanske sm4wii’s mellanvågsfyr på 476kHz CW…tröttnar på det och vill tillbax till 1945kHz LSB igen, då går det på mindre än 1 sekund, tryck down följt av up så står man på 1945kHz LSB igen
Re: IC-7300 vs IC-7610
Ja, spännande med olika jämförelser och FT-710 har jag bara sett på bild och film men bra mottagare tydligen då den ligger i toppskiktet på Sherwoods testsida. Såg den på youtube under reparation och fick som DH skriver uppfattningen att det var många och röriga menyer. 7300:an har många funktioner men är ändå vad jag tycker logisk i menyerna och lätt att lära sig. Ja, 7300 går upp över 70MHZ amatörband och en del kör dem på 69MHz vilket jag avråder från då den byter till ett opassande filter direkt man kommer under 70.000MHz. Filtret släpper igenom spurrar en bit under 69MHz som kan ställa till det ordentligt vid sändning men mottagningen funkar bra, inga problem där.
För alla komplexa frågor finns det ett svar som är lättförståeligt, enkelt och fel.
Re: IC-7300 vs IC-7610 mm
Beträffande mottagarkänslighet är det sällan man har nytta av ngt extra där. Sällan det är såpass tyst att man har nytta av svagsignaler från Långtbortistan.
Vi har gjort lite busiga tester här med våra 7300’or…en kollega o jag. Fulkört på både 69,xxx och på 70,xxx och sistnämnda låter otroligt mkt bättre. Natt och dag skillnad verkligen.
Även rx är märkbart sämre på 69,999.99 än på 70,000.00.
Radion ger ngt på 40W eller så på 69MHz så bp filtret snor inte så värst mkt men tillräckligt för att det skall bli sämre än på ngn annan riktig radio för det bandet.
Man kan snålköra ett par ggr om året…10-20W eller så…det har jag iaf gjort med min 7300 sen 2016 när jag haft vettig antenn …men bygga ngt seriöst 69MHz tugg på en IC-7300 gör man inte.
En annan kollega…som tog sitt cert förra året…slog till på en ny Icom IC-7300 då. Han bor inte värst långt bort och vi har då snackat en del. Jag har vart hemma hos honom på
.Han va supernöjd med sin 7300 …tills han fick reda på att jag hade en 7610’a utöver min 7300.
Då dög den inte längre
Han slog då till på en Yaesu FTdx-101 eller va tusan de heter…den billigaste av dem…de finns ju i några olika versioner..obetydligt begagnad från ngn som tyckte den va krånglig att sköta.
Jo, tjena…de e typ samma som med den andre Yaesun jag beskrev om i mitt förra inlägg.
Även den här killen ville absolut ha ngt som …på pappret då, ’är värre’ än min 7610…
Han har också labbat mkt med modulationen o det tyx va omöjligt att få mej nöjd…utom nu sist…förrförra fredagen hade han lyckats få till ett kanondrag i den…(han kanske gjort en reset ^^) men har inte kört honom sen…
Han säger att han är nöjd …o de e väl bra isf. Personligen tycker jag inte den är ngt som helst o ha…min IC-7610 är ju mkt fränare…men jag är färgad av den liknande men kassa FTdx-10’n i förra inlägget med.
Det här med att amatörer på bögd’a är så noga med att ha ngt på bänken som är ’värre än’ mina grejor är jag lite frågande till. Det är ju vad man har i antennväg som räknas i verkligheten kan ju jag tycka då.
Sa jag det…han med FTdx-101’an fick tag på ett slutsteg också…för ett halvårsedan…notera att han haft cert i 11 månader nu eller ngt…som innehåller samma rör som mitt Acom men som ger 250W mer, haha.
Vi har gjort lite busiga tester här med våra 7300’or…en kollega o jag. Fulkört på både 69,xxx och på 70,xxx och sistnämnda låter otroligt mkt bättre. Natt och dag skillnad verkligen.
Även rx är märkbart sämre på 69,999.99 än på 70,000.00.
Radion ger ngt på 40W eller så på 69MHz så bp filtret snor inte så värst mkt men tillräckligt för att det skall bli sämre än på ngn annan riktig radio för det bandet.
Man kan snålköra ett par ggr om året…10-20W eller så…det har jag iaf gjort med min 7300 sen 2016 när jag haft vettig antenn …men bygga ngt seriöst 69MHz tugg på en IC-7300 gör man inte.
En annan kollega…som tog sitt cert förra året…slog till på en ny Icom IC-7300 då. Han bor inte värst långt bort och vi har då snackat en del. Jag har vart hemma hos honom på
Då dög den inte längre
Han slog då till på en Yaesu FTdx-101 eller va tusan de heter…den billigaste av dem…de finns ju i några olika versioner..obetydligt begagnad från ngn som tyckte den va krånglig att sköta.
Jo, tjena…de e typ samma som med den andre Yaesun jag beskrev om i mitt förra inlägg.
Även den här killen ville absolut ha ngt som …på pappret då, ’är värre’ än min 7610…
Han har också labbat mkt med modulationen o det tyx va omöjligt att få mej nöjd…utom nu sist…förrförra fredagen hade han lyckats få till ett kanondrag i den…(han kanske gjort en reset ^^) men har inte kört honom sen…
Han säger att han är nöjd …o de e väl bra isf. Personligen tycker jag inte den är ngt som helst o ha…min IC-7610 är ju mkt fränare…men jag är färgad av den liknande men kassa FTdx-10’n i förra inlägget med.
Det här med att amatörer på bögd’a är så noga med att ha ngt på bänken som är ’värre än’ mina grejor är jag lite frågande till. Det är ju vad man har i antennväg som räknas i verkligheten kan ju jag tycka då.
Sa jag det…han med FTdx-101’an fick tag på ett slutsteg också…för ett halvårsedan…notera att han haft cert i 11 månader nu eller ngt…som innehåller samma rör som mitt Acom men som ger 250W mer, haha.
Re: IC-7300 vs IC-7610
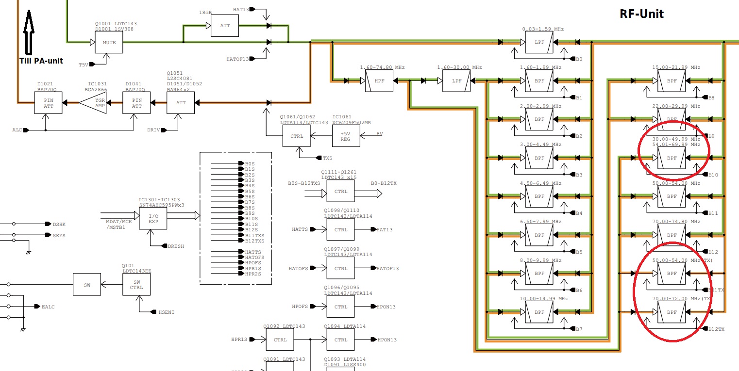
Så kan det vara med 69MHz och det är mycket riktigt bandpassfiltren i RF-unit som ställer till det.
Jag bifogar två bilder som visar hur filtren gör ett galet byte och spurren som kommer med.
Filtret som hoppar in under 70MHz är för brett och tar med spurren på 54Mhz som kommer med förstärkt i sändning med flera watt uteffekt då filterbanken efter slutsteget inte spärrar för det.
Det är stor risk att det slutar med slutstegsbyte då både den riktiga frekvensen och spurren sänds samtidigt.
Ska radion ALC ta hänsyn till rätt frekvens eller spurren undrar stationen när SWR blir för hög i radions mätning.
Jag bifogar två bilder som visar hur filtren gör ett galet byte och spurren som kommer med.
Filtret som hoppar in under 70MHz är för brett och tar med spurren på 54Mhz som kommer med förstärkt i sändning med flera watt uteffekt då filterbanken efter slutsteget inte spärrar för det.
Det är stor risk att det slutar med slutstegsbyte då både den riktiga frekvensen och spurren sänds samtidigt.
Ska radion ALC ta hänsyn till rätt frekvens eller spurren undrar stationen när SWR blir för hög i radions mätning.
För alla komplexa frågor finns det ett svar som är lättförståeligt, enkelt och fel.
Re: IC-7300 vs IC-7610
Intressant att få det förklarat !
SWR mätning ger mysko värden. Vi har antagit att det måste vart ngt som lurar swr metern att visa tokiga värden.
Det florerar rykten om att äldre 7300’or är ’bättre’ på 69 än nyare som inte skall klara av det alls. Det kan jag dementera då jag vet om en fabriksny som gjort provsändningar på 69 samt att min 8 år gamla egna radio sänder hyggligt där.
IC-705 är berörd i tråden också. Den ’ser ut’ att tx’a på 69 men ingen effekt går ut.
Vill minnas säljaren sa att ’vad du gör, sänd inte på 69’. Innan jag försvann ut genom dörren sa han det igen så jag antar att radion sänder där men att rubbet går i jord i filtren.
En lite festlig detalj är att Icom byggde en (1) IC-705 radio där 69MHz faktiskt går att köra med. Det exemplaret är det första som skickades till europa o den radion har Manuel på Limmareds i sin privata ägo.
SWR mätning ger mysko värden. Vi har antagit att det måste vart ngt som lurar swr metern att visa tokiga värden.
Det florerar rykten om att äldre 7300’or är ’bättre’ på 69 än nyare som inte skall klara av det alls. Det kan jag dementera då jag vet om en fabriksny som gjort provsändningar på 69 samt att min 8 år gamla egna radio sänder hyggligt där.
IC-705 är berörd i tråden också. Den ’ser ut’ att tx’a på 69 men ingen effekt går ut.
Vill minnas säljaren sa att ’vad du gör, sänd inte på 69’. Innan jag försvann ut genom dörren sa han det igen så jag antar att radion sänder där men att rubbet går i jord i filtren.
En lite festlig detalj är att Icom byggde en (1) IC-705 radio där 69MHz faktiskt går att köra med. Det exemplaret är det första som skickades till europa o den radion har Manuel på Limmareds i sin privata ägo.
Re: IC-7300 vs IC-7610
Ja, visar SWR konstiga värden tyder det på en stark spurre som reflekterar en hel del effekt från antennen som inte är avstämd på den frekvensen, det kan sluta på reparationsbänken.
Det har inte, vad jag vet, med årsmodell att göra utan lite mer tur eller otur var spurioserna finns och hur starka de är.
Det finns lite olika sätt att komma till rätta med det och det enklaste sättet är att bygga om stationen så den inte byter filter när den kommer under 70MHz.
Filtret för 4m bandet har inte så skarpa flanker så det fungerar bra även på 69MHz.
Det går även att låta filtren vara som de är och istället sätta ett extra högpass eller bandpassfilter före PA-kortet som inte släpper igenom spurren som i det här fallet är på 50MHz.
Hur vida stationen lider av oönskade spurioser ser man lätt på en spektrumanalysator som bilden i mitt tidigare inlägg, nämner också att det sitter en attenuator före spektrumanalysatorn och stationen så effekten på spurren är betydligt starkare än vad bilden visar, runt 8W ut om jag minns rätt.
Har man tur och det inte finns några sådana så är det bara att tuta och köra om filtret som radion väljer är öppet för den aktuella frekvensen.
Tipset från coachen är att inte köra någon radio utanför de band den har öppna från fabriken om man inte har björnkoll på vilket filter radion använder.
Det finns även stationer som inte gillar att köras på 60m utan modifikation av filter, IC-756 om jag inte minns helt galet ligger kvar på 80m lågpassfilter när man kör 60m.
Många tror att det bara är att öppna stationen och sänder den så är allt frid och fröjd.
Det har inte, vad jag vet, med årsmodell att göra utan lite mer tur eller otur var spurioserna finns och hur starka de är.
Det finns lite olika sätt att komma till rätta med det och det enklaste sättet är att bygga om stationen så den inte byter filter när den kommer under 70MHz.
Filtret för 4m bandet har inte så skarpa flanker så det fungerar bra även på 69MHz.
Det går även att låta filtren vara som de är och istället sätta ett extra högpass eller bandpassfilter före PA-kortet som inte släpper igenom spurren som i det här fallet är på 50MHz.
Hur vida stationen lider av oönskade spurioser ser man lätt på en spektrumanalysator som bilden i mitt tidigare inlägg, nämner också att det sitter en attenuator före spektrumanalysatorn och stationen så effekten på spurren är betydligt starkare än vad bilden visar, runt 8W ut om jag minns rätt.
Har man tur och det inte finns några sådana så är det bara att tuta och köra om filtret som radion väljer är öppet för den aktuella frekvensen.
Tipset från coachen är att inte köra någon radio utanför de band den har öppna från fabriken om man inte har björnkoll på vilket filter radion använder.
Det finns även stationer som inte gillar att köras på 60m utan modifikation av filter, IC-756 om jag inte minns helt galet ligger kvar på 80m lågpassfilter när man kör 60m.
Många tror att det bara är att öppna stationen och sänder den så är allt frid och fröjd.
För alla komplexa frågor finns det ett svar som är lättförståeligt, enkelt och fel.